產品介紹

產品名稱及型號:對焊式金屬密封蝶閥 D36(3/2)(H/W/W)
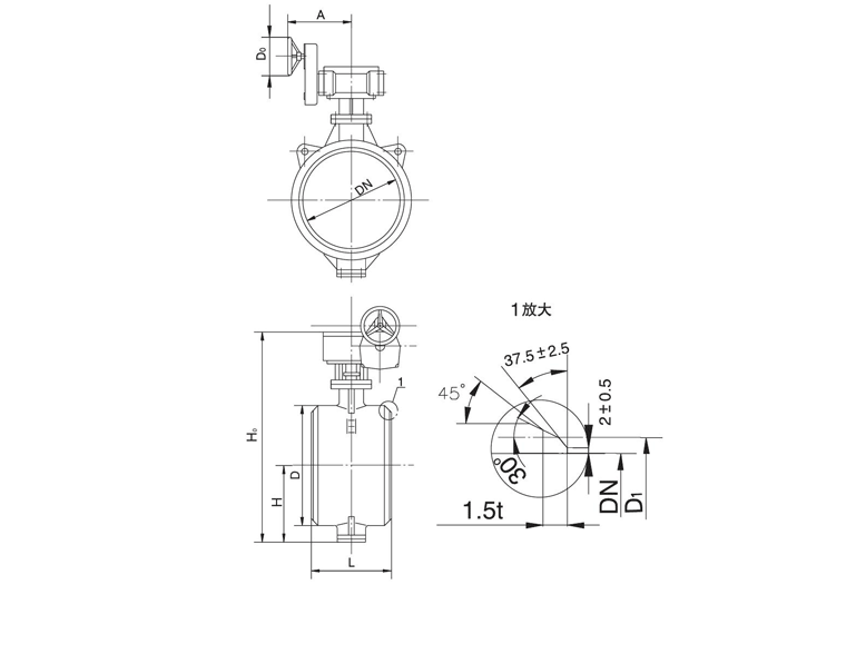
產品用途: 本蝶閥適用于食品、飲料、醫藥、化工等純凈管路及工業環保水處理、高層建筑給排水管路作啟閉或調節介質流量之用.可在高溫環境下作業,最高工作溫度可達400度。結構型式可分為單偏心/雙偏心/三偏心。
結構特點:
1、密封可靠,操作方便,啟閉快速;
2、蝶板采用框架結構,強度高,過流面積大,流阻小。;
3、密封部位可調節更換,密封性能可靠;
4、蝶板密封面采用堆焊鈷基硬質合金,密封面耐磨損,使用壽命長.
主要性能規范:
驅動方式有手動、蝸輪蝸桿傳動、氣動、電動
公稱通徑DN50~DN2800 公稱壓力PN10~PN25
英制規格2”~48” 磅級Class 150~300
產品采用標準:
國標系列GB/T 12238、GB/T 12221、JB/T 79、JB/T 82、GB/T 9115 GB/T9113、GB/T13927、JB/T 9092
美標系列 API609、MSS.Sp-68、ASME Bl6.10、API609、MSS.Sp-68、ASME Bl6.5、ASME Bl6.47、AP1598




TEL:

E-mail us
PDF Download
Inquiry





